公司简介
济宁鸿辰自动化控制有限公司座落于具有几千年文化底蕴的历史名城孔孟之乡济宁,公司是一家专业致力于仪器仪表生产、销售、代理为一体的高科技企业。公司拥有雄厚的...
音叉料位开关是过程控制领域中较为常见的物位测量仪表,主要用于粉末和固体颗粒的高低料位测量。但由于现场工况千差万别,对仪表的要求各异,所以,用户在采购时,需要结合自己的工况特点和实际需求,选择相应型号的音叉料位开关与之相匹配。那么,音叉料位开关在采购选型时应注意什么呢?

一般来说,用户采购音叉料位开关时,应注意根据工况测量的实际需要,并结合产品的特点和技术指标等进行选择。具体应注意以下几个方面:
1.输出方式:一般有继电器、二线制、PNP或NAMUR几种,继电器是其中较为常用的输出方式。在采购时应根据自己的实际需要,选择相应的输出方式。
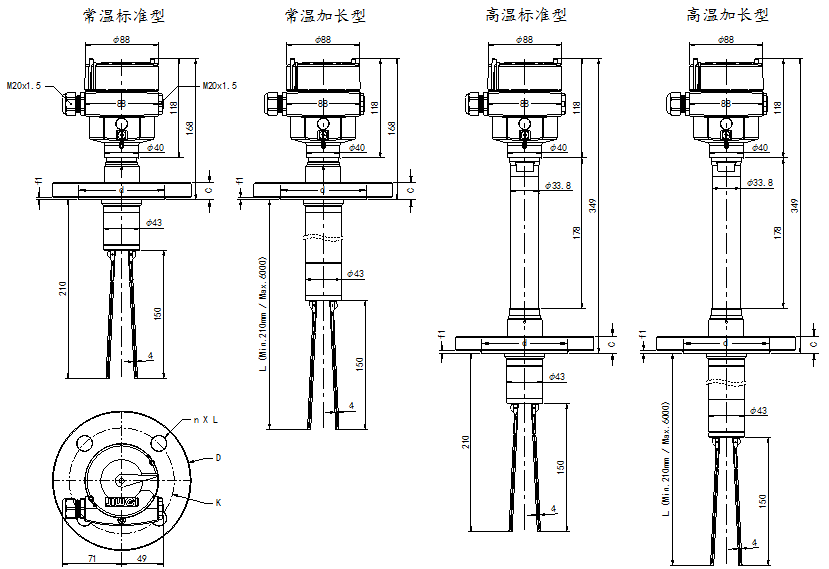
2.过程连接方式:法兰连接、螺纹连接和卡箍连接是几种较为常见的过程连接方式,采购时应与技术沟通确认选择何种过程连接。

3.插入深度:在采购音叉料位开关时,要根据罐体壁厚或者立管的高度进行选择,以避免实际安装中因音叉长度过短而无法接触到物料,影响正常测量的情况出现。
4.是否需要具有防爆功能:如果音叉料位开关需要在易燃易爆的危险环境中工作,就需要选用防爆型料位开关,具体选择隔爆、本安还是粉尘防爆,应结合工况特点进行选择。
5.是否需要选择高温型仪表:如果工况温度超过150℃,则需要采购高温型音叉料位开关,如果没有达到150℃,采购常温型音叉料位开关即可。
6.安装方式:音叉料位开关一般采顶装和侧装两种安装方式,如果现场工况要求顶装,那么所采购的音叉料位开关的叉体一般要长些。如果是侧装的安装方式,则不需要对叉体进行加长。
根据不同的工况,计为自动化开发了不同的音叉料位开关产品,客户可以结合自己的工况特点进行采购。